"MY TRX"
All band CW transceiver 5 watt QRP
plus general coverage reception.

Ready for QRP work

Contact with the world
"MY TRX" is indeed my transceiver. It is not a perfect transceiver, but good enough for a lot of perfect QSO's.
The transceiver has general coverage reception from 1.8 to 30 MHz. It can transmit on all amateur frequencies if there is a suitable low pass filter for the transmitter installed.
It is a simple QRP transceiver with acceptable performance but it has full frequency coverage and is constructed with easily available parts. You can also use it as a simple, stable RF generator or frequency counter! That is more than a lot of other beautiful transceivers offer!

The design
In principle it is a VFO from 28 to 60 MHz with a special frequency stabilizer and a frequency divider (/2; /4; /8; /16) to generate the working frequency. This signal is amplified to 5 watt and is also used for the Direct Conversion receiver.

Block diagram


Block diagram.
big diagram

The VFO is special

Working principle
(See the block diagram)
A VCO with a frequency range from 28 to 60 MHz is followed by a frequency divider to obtain the working frequency. The division ratio is /16; /8; /4/; /2 for the ranges 1.8-3.5 MHz; 3.5-7.0 MHz; 7.0-14.0 MHz and 14.0-30.0 MHz
Harmonics of the VCO frequency divided by 4096 are locked to a VXO. If locking occurs, there is a small frequency range of approx. 15 to 262 kHz (depending on the frequency band, 15 kHz for 160 m, 262 kHz for 10 m), tuneable by the 10 turn potmeter of the VXO.
By pressing the up/down switches, it is possible to go to the nearest next small frequency range that is tuneable by the VXO.
For large frequency changes, there is a switch so that you can tune the VCO close to the desired frequency with the 10 turn potentiometer.

Frequency locking principle
The VCO frequency is divided by 4096, giving a frequency range from 6835 to 14648 Hz.
This frequency is used to control the sample & hold circuit. The input of that circuit is the VXO.
The output of the sample & hold controls the VCO. A frequency lock will occur if:
N x (6835 to 14648 Hz) = VXO frequency(3671 to 3703 kHz)
That means that for each integer value for N between 250 and 541 there is a frequency lock.
When there is a lock, the frequency variation of the VCO is:
4096/N x (3671 to 3703 kHz) with N between 250 and 541.
At low frequencies, the frequency variation is less than at high frequencies. At 1.8 MHz the frequency variation is half of that at 3.6 MHz, at 3.68 MHz it is exactly the same as the variation of the VXO and at 7.36 MHz it is twice the VXO variation.

Frequency change
There are two methods implemented to change to other harmonic locks (other values of N between 252 and 541):

  1. For big frequency changes, set S5 to "tune", and the VCO is controlled by the 10 turn tuning potentiometer.
    Tuning close to the desired frequency (read out via frequency counter) is possible by rotating the 10 turn tuning potentiometer.
    Set S5 to normal and the VCO will lock to the closest integer value of N (between 250 and 541).
  2. For small frequency steps within one band, press the "up" key S6 or "down" key S7.
    This will cause a sudden frequency change of the VXO. The loop filter cannot follow this sudden change and will lock to the closest harmonic relation (closest N factor). After releasing the switch, the VXO will slowly (due to Rvxo and Cvxo) go back to the original frequency and the VCO will follow that with a new N factor, + or -1 to 3 from the old N. Important is that the frequency jump of the VXO is sufficient. This only happens if the tuning potentiometer is below mid-range when pressing the "down" switch S7 or above mid-range when pressing the "up" switch S6.
So method 1 is for large frequency changes (large changes of N) to go to another band and method 2 is for small frequency changes (small changes of N), within one amateur band.

VFO diagram


Circuit diagram of the VFO, modified circuit in October 2002 for better reproducibility.
big diagram

The VXO with ceramic resonator
The ceramic resonator is critical. I found some very bad samples and some very good ones. The bad one's were even less stable than a RC oscillator! So try to find a good one. The frequency is not critical and can be any value. The reason for a ceramic resonator instead of a crystal is that with a ceramic resonator, the VXO frequency deviation is bigger and the VXO has a better linearity. The frequency variation has to be considerably more than 60 MHz / 4096 = 14648 Hz, otherwise the up/down switches will not work.
Stability is just acceptable.

The RIT
The RIT is not linear. The RIT frequency depends on the VXO frequency. Tune to zero beat with the RIT at centre position (or S2 off) when receiving, then turn the RIT potentiometer to the left or right to obtain the desired audio frequency of the received CW signal.
For the higher bands the frequency variation of the RIT control is bigger. The resistors around the RIT potentiometer are selected for less RIT frequency variation near the centre position of the RIT potentiometer.
The RIT switch S2 is toggled together with the TX/RX switch S3.

The Sample & Hold circuit
There are two sample & hold circuits. One with a small capacitor for fast sampling and a second one with a bigger capacitor for slow sampling of the output of the first sample & hold. This second one does not discharge between two sampling moments, due to the bigger capacitor.

The Control Loop
Two potentiometers are used to control the stability. The 100 ohm potentiometer in series with the 100 uF capacitor is adjusted for stability at the lowest VCO frequency (VCO at 28 MHz). The 10k ohm potentiometer is set to the centre between the two "just locking" positions. If it is not possible to get the VCO locked, increase the 100 uF capacitor and/or the 22k resistor of the loop filter. If the up/down switches do not work correctly, increase Rvxo. All cables from the control loop circuit to the switches and tuning potentiometers are screened.
Adjustment of the loop potentiometer can be done with an oscilloscope at TP2. A very simple and perhaps even better method is to tune to a strong carrier just above 14 MHz and adjust the 100 ohm potentiometer so that you will hear the cleanest distortion free audio tone.

Direct Conversion Receiver diagram


Circuit diagram of the direct conversion receiver
big diagram

The Direct Conversion receiver
At the input is an RF preselector (inductances soldered direct on switch S1a/b), an RF preamplifier and a 74HC4066 is used as mixer. The audio preamplifier is followed by an audio filter for SSB reception and a CW filter. Finally the LM386 feeds the loudspeaker or headphones.
The LF volume control is a little unusual, but in this way the LF amplifier gain and also the noise of that amplifier decreases at lower volume settings. The first design had some irritating noise left at low volume settings.
The RF preamplifier is very important. Without it there is a lot of 50 Hz / 100 Hz hum when you use a power supply connected to the mains due to Local Oscillator leakage from the mixer to the antenna. This depends on the antenna, frequency band and power supply you are using. A lot of Direct Conversion receivers have this problem.
The RF preamplifier does suppress this LO leakage and increases the sensitivity at the higher bands.
Not all preamplifiers do suppress the Local Oscillator leakage from the mixer to the antenna. The first version without the second transistor in the collector did not suppress the LO leakage and also an emitter follower was not usable.

If you want to read details about mixer and RF amplifier, go via the home page index to the 4 band VXO tuned QRP transceiver.

Transmitter diagram


Circuit diagram of the transmitter
big diagram

The Transmitter
The VFO signal is amplified with two parallel sections of a 74HC4066 and is switched on and off if key down and up by the BC557. This RF signal goes to the driver with transistor 2N4427 and final amplifier with a transistor 2SC1969. The elliptic filters for 1.8; 3.5; 7.0; 10/14; 18/21 and 24/28 MHz do suppress the harmonics. The 24/28 MHz filter is always in use. The filters are also used during reception to suppress strong 7.1 - 7.3 MHz broadcast stations when listening at 3.55 to 3.65 MHz. When a filter is switched on, all the filters for the higher frequencies are also switched on to suppress the spurious emission accross the switches. Example: When transmitting on 7 MHz, the 10/14 and 18/21 filters are also switched on.
The design of the elliptic filters is based upon tables from the RSGB Radio Communication Handbook, sixth edition, table 22.12 and 22.13.

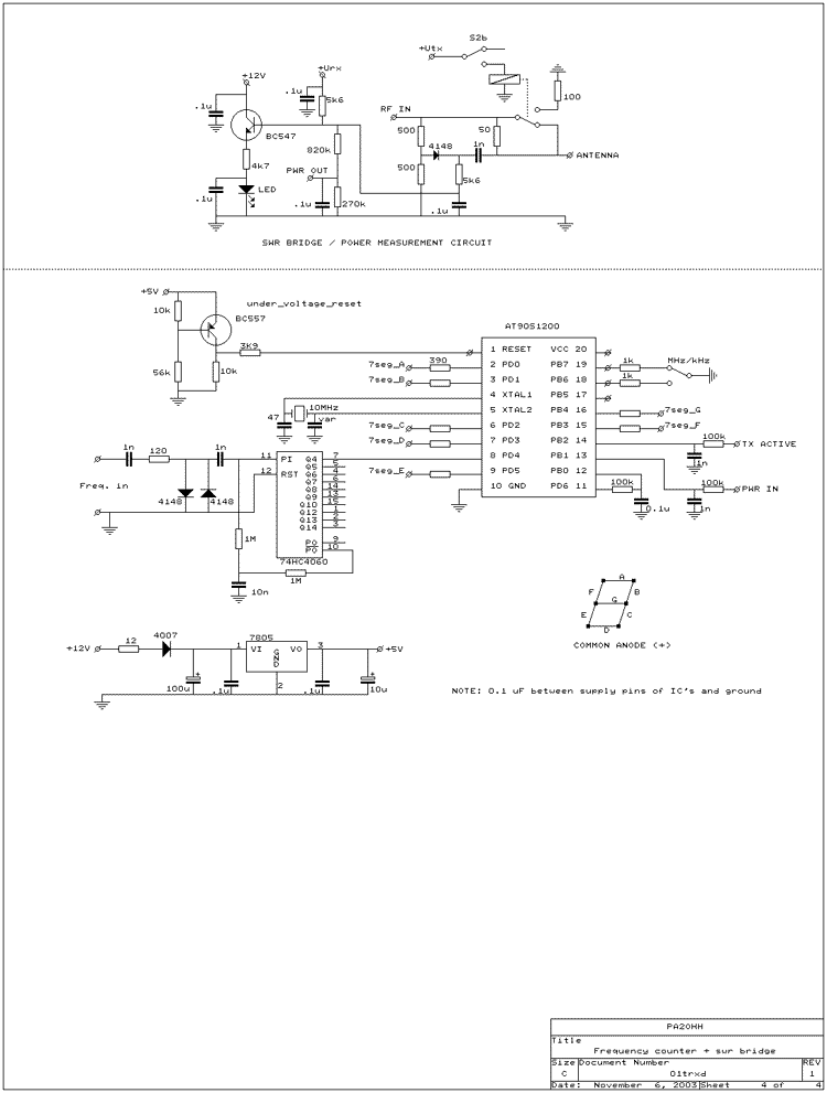
Frequency counter and swr bridge diagram


Circuit diagram of the optional frequency counter and swr bridge
big diagram

The Frequency counter and SWR bridge
(Any other frequency counter can be used and the SWR bridge is optional)


The frequency counter with one 7 segment LED display

For an explanation about the working principle, go via the home page index to the simple frequency counters. This version also displays the RF power if key down during TX or the supply voltage if key down during RX.
The SWR is also indicated via a LED. Of course you can use any other frequency counter and SWR meter.

Notes
The VXO and VCO are placed together in a screened enclosure. The frequency counter is also screened.
Built via the ugly method (dead bug method). Parts are soldered at both sides of he double sided unetched print.
Inductances are commercially available types looking like big resistors.
Do not use a HCT type but a HC type!

Performance
Sensitivity: 0.15 to 0.3 uV signals are readable
AM dynamic range: 85 to 100 dB (good)
RX current: 90 mA
Transmit power (12 Vdc):
- QRO: 7 to 9 W for the bands 1.8 to 24 MHz, 4.5 W at 28 MHz.
- QRP: 2.5 to 3 W for the bands 1.8 to 24 MHz, 2 W at 28 MHz.
Suppression of spurious emission: below 30 MHz: 43 dB, above 30 MHz: 55 dB


SOFTWARE FOR THE FREQUENCY COUNTER

"FREQTRX1.ZIP" WITH "FREQTRX1.ASM" TO PROGRAM THE FREQUENCY COUNTER


PHOTOGRAPHS


The Birth of the "MY TRX" Transceiver.


The VFO, Direct Conversion RX and PA driver


The SWR bridge, Lo-pass filters and Frequency counter


The Final amplifier with 2SC1969 transistor and QRO - QRP switch
(at the back side of the transceiver)


Back side of the transceiver


BACK TO INDEX PA2OHH